A110H-高精度编码器、角编码器

A110H-高精度编码器、角编码器

A110H 是一款面向高端用户需求的增量式高精度角度编码器,其单圈脉冲数可达1,800,000个,精度等级可达±5"。该编码器具备多规格的通孔轴和一体式外壳安装法兰,可根据需要选择内孔径及两种不同的紧固形式。


0.00
0.00
  

A110H 是一款面向高端用户需求的增量式高精度角度编码器,其单圈脉冲数可达1,800,000个,精度等级可达±5"。该编码器具备多规格的通孔轴和一体式外壳安装法兰,可根据需要选择内孔径及两种不同的紧固形式。


电气参数

*不适用于连接器出线的型号
Note:
1.最高工作转速(编码器输出无误情况下)取决于最高工作频率及最大机械转速影响。
2.如需使用延长电缆,电源线横截面不应小于0.5mm2


机械参数


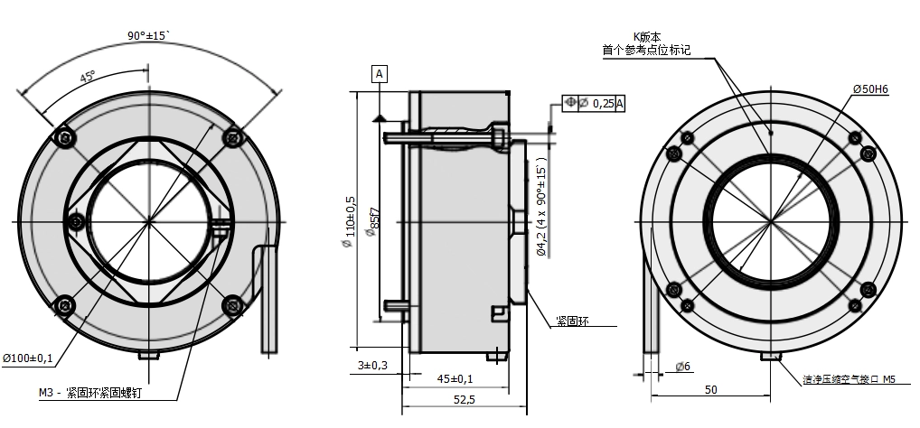
尺寸图



详细产品说明书及安装图纸欢迎来电来函索取。021-66277086,51095089