CB85

CB85

● 超薄(12mm)
● 多种孔径可选(mm):Max  40
● 一体化结构、简易安装、无需二次校准
● 零位标记
● 防尘设计
● 光学高精度±20"
● 进口品牌替代(如Netzer、Renishaw等)
● 国产化定制

0.00
0.00
  

● 超薄(12mm)
● 多种孔径可选(mm):Max  40
● 一体化结构、简易安装、无需二次校准
● 零位标记
● 防尘设计
● 光学高精度±20"
● 进口品牌替代(如Netzer、Renishaw等)
● 国产化定制

应用

● 无人机吊舱/转台

● 工业自动化、机器人、DD马达

● 雷达、非标


基本参数

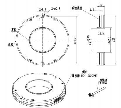
外径/孔径/厚度 85mm/40mm
测量范围0° ~ 360°
分 辨 率24bit(Max)
精  度≤±20″
重复精度≤±1″
通讯协议RS485自由协议/Modbus-RTU/SSI/BISS-C
接  口RS485/RS422
电压/电流DC5V  /  150mA(Max)
码  制二进制、格雷码
工作温度-40℃/-55℃ ~+65℃
储存温度-55℃  ~  +85℃
抗 冲 击20g、200Hz
抗 振 动5g、8~2000Hz
相对湿度≤90%、无结露
防护等级IP54
工作转速4000RPM(Max)
重       量0.15KG


产品外形图


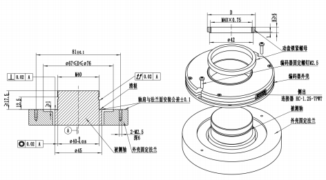
产品装配图