应用范围
点钞机、打印机、微型电机、小型仪器等自动化控制领域。
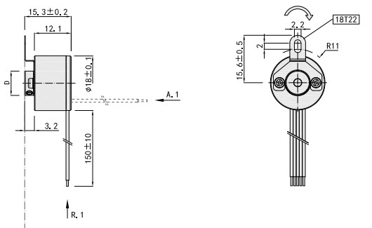
连接
径向排线(标准长150mm)
轴向排线(标准长150mm)
防护等级
IP40
重量
约25g
选型指南

注解
分辨率选择建议在5000PPR以下,Z相信号为低电平有效。
输出方式
| 电气接口 | 输出回路 | 输出波形 |
| OG(NPN集电极开路) |  |  |
OG(NPN集电极开路) TTL(DC5V) |  |  |
电气规格
| 输出类型 | OC | TTL |
| 电源电压 | DC+5V±5% |
| 消耗电流 | 100mA Max |
| 容许波纹 | ≤3%rms |
| 最高响应频率 | 100KHz | 300KHz |
| 输出容量 | 输出电流 | 流入 | ≤30mA | ≤±20mA |
| 流出 | 一 |
| 输出电压 | "H" | 一 | ≥2.5V |
| "L" | ≤0.4V | ≤0.5V |
| 负载电压 | ≤DC30V | 一 |
| 上升,下降时间 | 2us以下(导线长:2m) | ≤100ns 1us以下(导线长:2m) |
| 占空比 | 45%to 55% |
| A.B相位差 | 90°±10°(低速频率下) |
| 90°±20°(高速频率下) |
| 屏蔽线 | 未接编码器本体 |
机械规格
| 轴 径 | Ø2.5mm(不锈钢材质) |
| 起动转矩 | 5×10⁻⁴N · m以下 |
| 惯性力矩 | 0 .3×10⁻⁶kg · m²以下 |
| 轴允许力 | 径向2N;轴向2N |
| 允许最高转速 | ≤5000 rpm |
| 外 壳 | 铝合金 |
| 重 量 | 约20g |
环境参数
| 环境温度 | 工作时:—10~+70℃; 保存时:-15~+75℃ |
| 环境湿度 | 工作时,保存时:各35~85%RH(不结露) |
| 振动(耐久) | 振幅0.75mm,5~50HZ,三轴方向各2h |
| 冲击(耐久) | 49m/s²11ms X,Y,Z各方向3次 |
| 防护等级 | IP40 |
基本尺寸 单位:mm
